Embrace
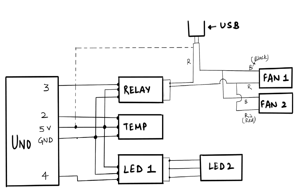
The project showcases slow fashion by creating a versatile garment. It emphasizes that repeating and celebrating the same piece of clothing is a hallmark of slow fashion, integrating heating and cooling system to provide year-round comfort. LED lights add a visual element, changing colors based on temperature, to reflect both the garment's functionality and aesthetic.
Physical Computing


Working


